
USB3.0接口130万像素近红外增强型工业相机,采用USB3.0 MicroB 接口,最大分辨率1280*1024,具备图像预览、图像采集、视频录像等功能,支持Windows XP/7/10 32&64 位系统,Linux X86/ARM,Android系统。
规格参数
|
参数项 |
参数值 |
|
产品型号 |
ACMU3E130M(EGYYO)-NIR |
|
感光元件 |
E2V EV76C661ABT |
|
色彩 |
黑白 |
|
读出模式 |
逐行扫描 |
|
快门类型 |
卷帘/全局曝光 |
|
有效像素 |
130万像素 |
|
板面尺寸 |
1/1.8" |
|
像素尺寸 |
5.3um |
|
最大分辨率 |
1280x1024 |
|
帧速率 |
60fps |
|
传输接口 |
USB3.0 MicroB接口 |
|
供电方式 |
USB3.0接口供电、250mA@5V |
|
图像存储 |
FPGA+256Mb帧存储器 |
|
输入输出 |
2路光耦隔离,1路外触发输入,1路闪光灯控制输出 |
|
可编程控制 |
预览视场ROI、采集视场ROI、SKIP/Binning模式、对比度、亮度、饱和度、Gamma值、增益、曝光、噪点去除、聚焦评估、自定义序列号(0~255)、硬件白平衡、LUT查找表、CCM色彩校正、畸变校正 |
|
白平衡 |
自动/手动控制 |
|
曝光 |
自动/手动控制 |
|
图像格式 |
支持 RAW8, MONO8, BAYER24, BAYER32图像预览采集,Jpeg、Bmp、Tiff图像格式保存 |
|
系统支持 |
Windows XP/7/10 32&64位系统,Linux X86/ARM,Android 系统 |
|
SDK开发包 |
支持C、C#等开发语言,OPENCV、LABVIEW、HALCON、MIL、Python等第三方机器视觉软件 |
|
镜头接口 |
标配C接口,可选CS、M12接口 |
|
工作温度 |
0°C至60°C |
|
储藏温度 |
-30°C至70°C |
|
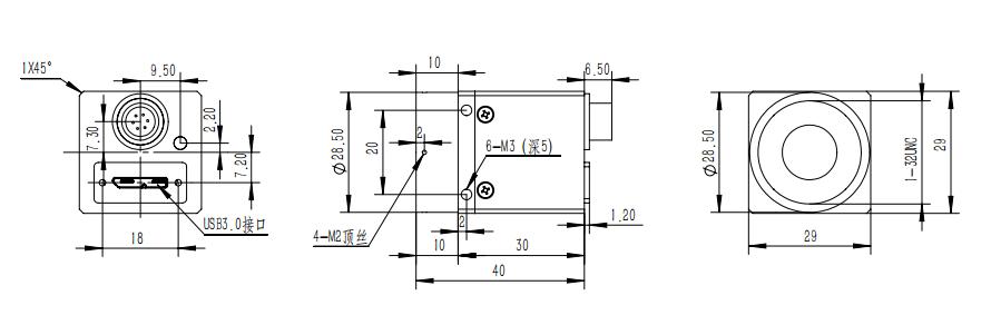
模组尺寸 |
整机29mm X 29mmX 30mm(宽x高x长) |
|
附件 |
KSJAPI SDK开发套件 |
光谱响应曲线

相机机械尺寸图(单位:mm)

物理接口
